로그인
라이노캠 / 비쥬얼밀
터닝(선반)
머시닝(밀링)
4축(로터리)/5축
아트
3d 프린터
자료실
자료실
제목
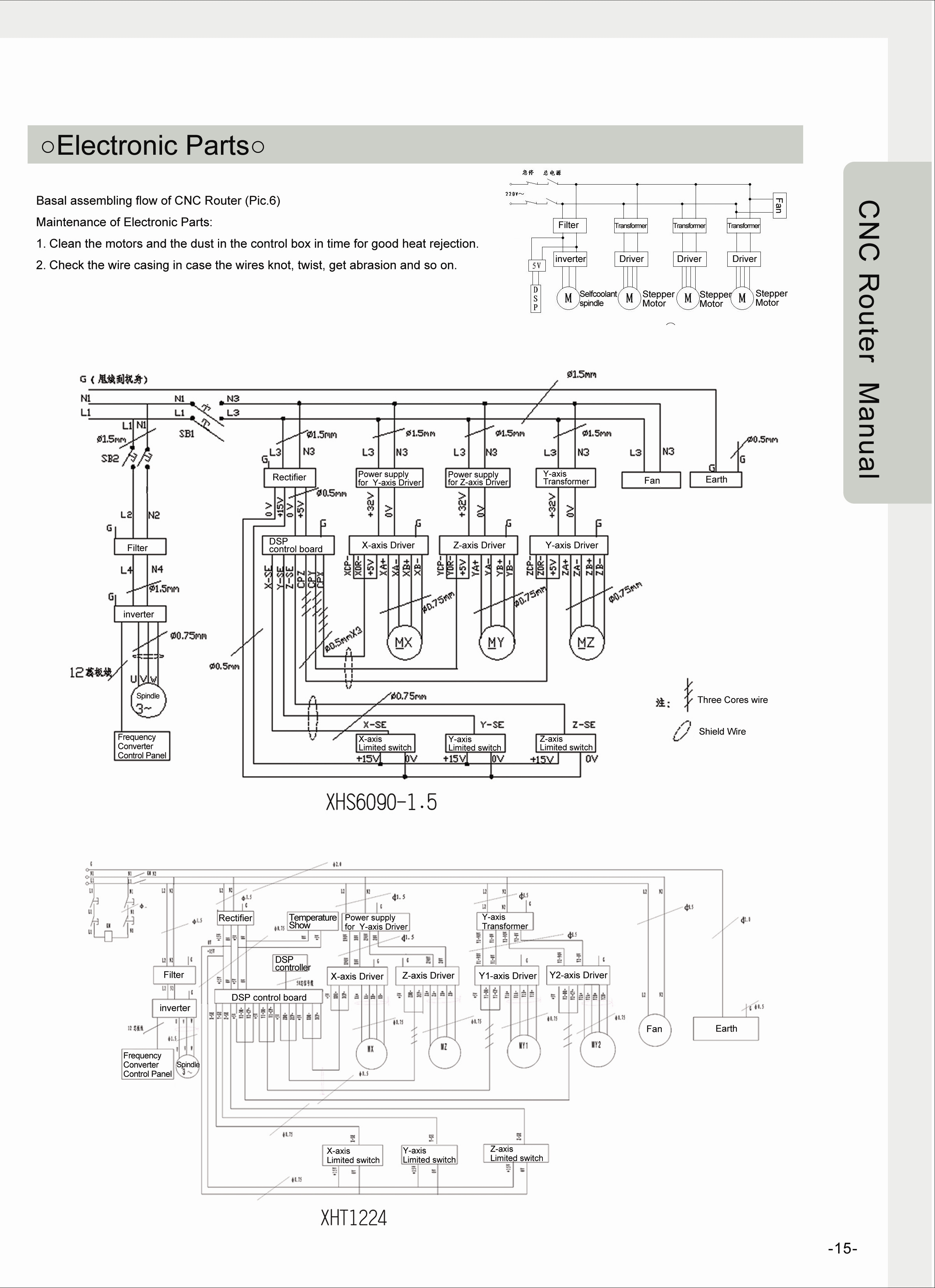
조각기 전기회로도
2025-08-10 11:55
작성자
rhinocam
조각기 전기회로도
목록
답변
글쓰기
댓글
[
0
]
댓글
작성자(*)
비밀번호(*)
자동등록방지
(자동등록방지 숫자를 입력해 주세요)
내용(*)
댓글 등록
더보기
이전
Liyu 조각기 전기회로도
rhinocam
2025-08-10
다음
레이저 회로도
rhinocam
2025-08-10
Powered by MangBoard